电气参数
| 电源电压 | 9-18 Vin | |
| PWM逻辑电平 | 3.3 V | |
| PWM中值信号 | 1500 μs | |
| PWM开启信号 | > 1530 μs ~ 1900 μs | |
| PWM关闭信号 | < 1470 μs ~ 1100 μs | |
| 峰值电流 | 6 A |
机械参数
| 夹紧力(尖端) | 97 N | 22lbf |
| 夹紧力(中部) | 124 N | 28lbf |
| 推杆轴向额定载荷 | 3 kg | 6.6 lb |
| 活塞行程 | 13.5 mm | 0.53 in |
| 钳口开度 | 62 mm | 2.44 in |
| 打开/闭合时间 | 1.6 s |
电缆参数
| 线缆型号 | CAB-A-3-22AWG | |
| 线缆长度 | 635 mm | 25 in |
| 线缆外壳材料 | 黑色聚氨酯 | |
| 导线规格 | 22 AWG |
线序
| 红色 | Vin | 电源线 |
| 黑色 | GND | 地线 |
| 黄色 | Singal | 信号线 |
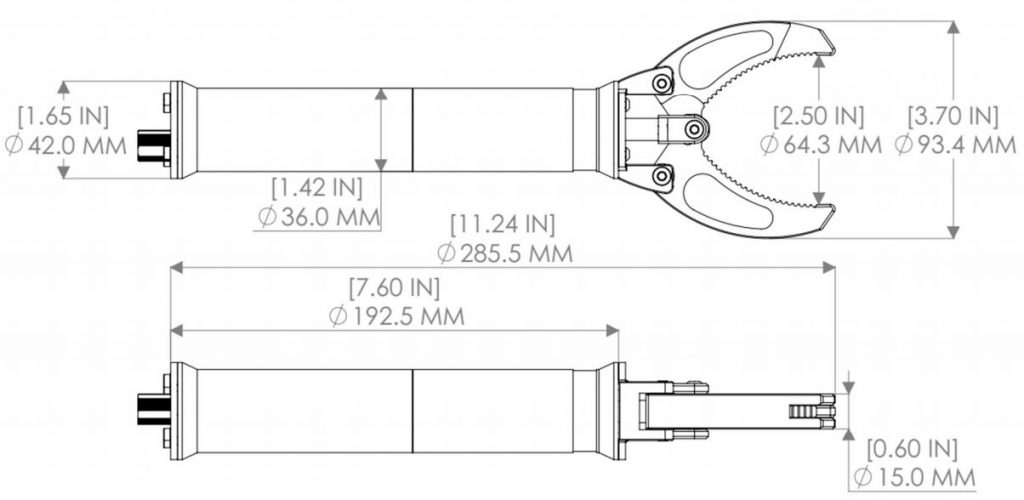
物理参数
| 外壳材料 | 6061 - T6铝 | |
| 压力等级 | 300 m | 984 ft |
| 关闭时的总长度 | 294 mm | |
| 打开时的总长度 | 300 mm | |
| 主筒直径 | 36 mm | |
| 支架安装孔间距 | 16 mm | |
| 支架螺丝大小 | M5 × 0.8 | |
| 空气中重量 | 524 g | 18.5 oz |
| 水中重量 | 267 g | 9.4 oz |
机械尺寸

